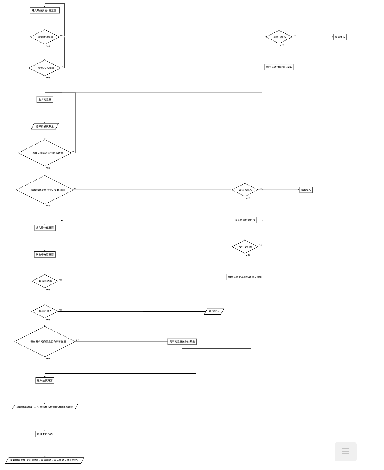
**Is your feature request related to a problem? Please describe.** When entering too many conditions, the flow chart will be too hard to see.  **Describe the solution you'd like** Can it be a cleaner to avoid the problem inside the pic?